Power Baby - Tube Output Stage
Power Baby - Tube Output Stage
Power Baby - Tube Output Stage
Power Baby - Tube Output Stage
Power Baby - Tube Output Stage
Power Baby - Tube Output Stage
Power Baby - Tube Output Stage

Power Baby - Tube Output Stage

Regular price $389.00 $0.00

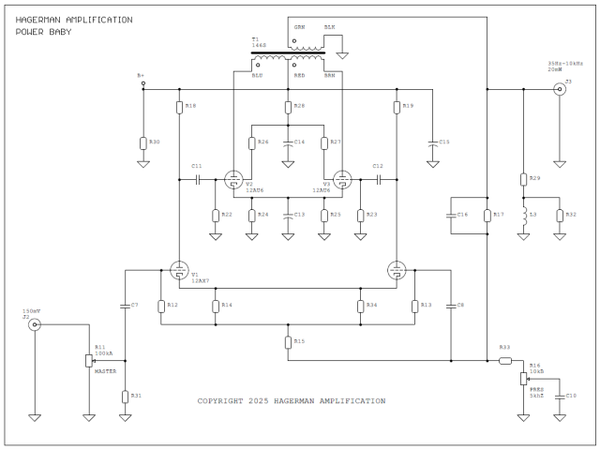
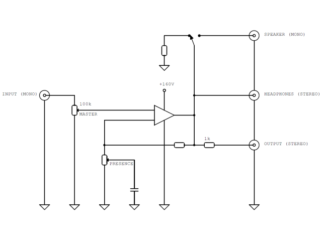
POWER BABY is a complete push-pull guitar and bass power amplifier stage in a box using miniature tubes. It can drive an 8 or 16 ohm speaker, but not very loud. Instead, use it with headphones or into an IR cabinet simulator or DI. Think of all the weight you will save! This pedal doesn't just mimic a power amplifier pushed into overdrive, it is one. Get that Randy Rhodes "Crazy Train" tone without damaging anyone's hearing, full of real pentode tube sag, compression, and phase inverter distortion. POWER BABY can be placed anywhere in the chain, as signal levels are akin to other pedals. Place a reverb after it! This cutting-edge flexibility opens up new possibilities for creative musicians. It does however, need a loud pedal in front of it to achieve full saturation. Many decent preamplifier pedals can do this, with my OVERDRIVE CLIPPER being an ideal match. Together they make a full-blown tube amplifier!

What do you want? A pedal that attempts to emulate the sound of a tube amp output stage, or the real thing?

Product is not in stock, these are our current Wait Times.

Specifications

  • 1 x 12AX7, 2 x 12AU6, all analog circuit
  • 20mW into 8 Ohms
  • Headphone output
  • 35Hz - 10kHz
  • 100mV, onset of clipping
  • 160V tube supply
  • +12V @600mA (center positive, included)
  • 4.7" x 5.8" x 2.3"

Downloads

Videos

Testimonials

  • "Just wanted to let you know how much I am enjoying the Power Baby. Great design for a pedal that serves an important purpose. I have about ten preamps. Some like the Tone King Imperial and Revival Drive Compact build in power amp features. They sound really good by themselves, but even better with the Power Baby. Others, like the Tubesteader Bee Keeper are, I believe, just the the preamp circuit. Again nice alone, but really shine with the Power Baby. Amps with tube preamps into class D power amps, with an effects loop between, also really benefit from Power Baby in the loop. What the Power Baby does is subtle, but it definitely adds some lively mojo and is juicy to play thru. Thanks for a really nice product."
  • "I love it so much that I’d like to order another one for a stereo setup!"
  • "The punch, detail, and definition with the PB valve setup is another thing entirely. My Strat hasn't sounded this fat since I stopped using real amps and went direct. This is an out of the park home run. Thanks Jim, everyone should sell their B+ grade digital power amp sims and put one of these on their board."
  • "The takeaway last night was that it's by far the most amp-like experience of any DI solution I've ever tried."
  • "This pedal is outstanding. Has great dynamic response and also is super quiet in operation. It sounds like its a full tube power amp section and really completes the sound on the JCM800. Congratulations on this thing! It is also super dynamic. I will get a ton of use from it and I think they will rise in demand quickly, so I’m really glad to get in on the project early. You’ve really outdone yourself on this build!"